Fundamental Technologies

Voyager LECP Pages

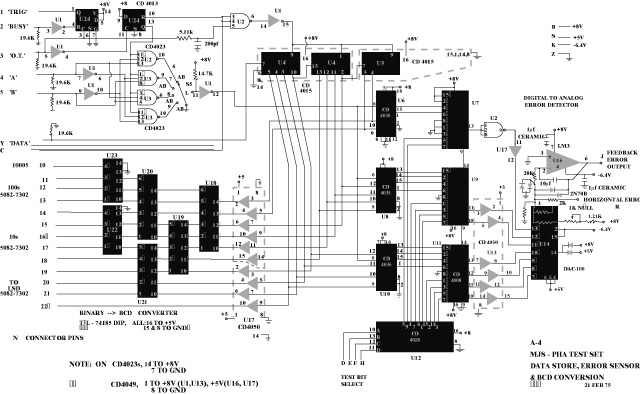
Figure A-4. MJS-PHA Test Set Data Store, Error Sense and BCD Conversion

Overview or thumbnail below. Click here for PDF file (large).

Return to Voyager LECP Data Analysis Handbook Table of Contents.
Return to Fundamental Technologies Home Page.

Last modified 6/20/03, Tizby Hunt-Ward
tizby@ftecs.com
Figure restoration by T. Manweiler.