Fundamental Technologies

Voyager LECP Pages

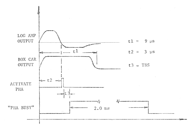
Figure 2. LECP-PHA Timing

 

Return to Voyager LECP Data Analysis Handbook Table of Contents.
Return to Fundamental Technologies Home Page.

Last modified 6/20/03, Tizby Hunt-Ward
tizby@ftecs.com