Fundamental Technologies

Voyager LECP Pages

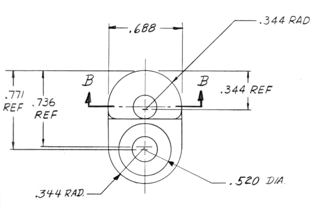
b-g Radiation Shields (excerpts from APL drawing 1D0612)

l

Return to Voyager LECP Data Analysis Handbook Table of Contents.
Return to Fundamental Technologies Home Page.

Last modified 12/5/02, Tizby Hunt-Ward
tizby@ftecs.com