|
Fundamental TechnologiesVoyager LECP Pages |
| Weight, grams | Power, mw | |
| Charged Particle Telescope (CPT) | ||
| Detector | 400 | |
| PHA system (4 PHA's including 2 P.A.) | 300 | 425 |
| Preamps (6 low noise + 1 includes shields) | 84 | 320 |
| Amplifiers (16 each @ 17 mw & 3.2 gm) | 51 | 272 |
| Discriminators (17 each @ 10.6 mw & 3.2 gm) | 55 | 182 |
| Logic and priority | 120 | 40 |
| 1010 | 1239 | |
| Power supply & wiring | 250 | @80% |
| 1260 | 1550 | |
| Low Energy Proton Detector (LEPD) | ||
| Detector | 145 | |
| Preamp (1) | 20 | 80 |
| Amplifier (3) | 10 | 51 |
| Discriminator (5) | 16 | 53 |
| Anticoincidence gates | 27 | 10 |
| 218 | 194 | |
| Power supply & wiring | +20 | @80% |
| 238 | 225 | |
| Electron Scatter Detector (ESD) | ||
| Detector | 230 | |
| Preamp | 20 | 80 |
| Amplifiers (3) | 10 | 51 |
| Discriminators (3) | 10 | 32 |
| Anticoincidence gates | 12 | 5 |
| 282 | 168 | |
| 20 | @80% | |
| 302 | 210 | |
| U. of Maryland | ||
| Option A. 4 ADC's with a total of 5 amplifier and discriminator channels | ||
| HV supplies | 1025 | |
| Detector head | ||
| Preamps (10) | 200 | |
| Amplifier (10) | 32 | 170 |
| Discriminator (5) | 16 | 53 |
| PHA (4) | 200 | 320 |
| 1273 | 743 | |
| Power supply & wiring | 75 | @80% |
| 1348 | 930 | |
| Option B. 5 channels for each of 4 detectors | ||
| Detector head | ||
| Preamps (10) | 150 | 200 |
| Amplifier (4 x 3) | 38 | 204 |
| Discriminators (20) | 64 | 212 |
| 252 | 616 | |
| Power supply & wiring | 65 | @80% |
| 770 | ||
| Data System | ||
| CPT - 21 rate limiters and MARS bugs | 120 | 430 |
| LEPD - 5 | 28 | 103 |
| ESD - 3 | 17 | 65 |
| UM (B) - 30 | 114 | 410 |
| CCL | 200 | 280 |
| 479 | 1208 | |
| Power supply | 121 | @80% |
| 600 | 1510 | |
| Summary | ||
| CPT | 1260 | 1550 |
| LEPD | 238 | 225 |
| ESD | 302 | 210 |
| UM | 930 | |
| Data System | 600 | 1510 |
| Structure | 810 | |
| 3210 (7.06 lbs.) |
4425 | |
| Without data system | 2610 |
2915 |
(UM) |
1348 |
|
3958 |
|
|
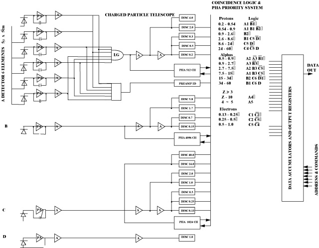
Diagram: (Click here for pdf file.)

Next: High Intensity Detector System for the Study of the Magnetospheres of Outer Planets
Return to Voyager LECP Data Analysis Handbook Table of Contents.
Return to Fundamental Technologies Home Page.
Last modified 4/21/05, Tizby Hunt-Ward
tizby@ftecs.com
Figure restoration by T. Manweiler.